3 Standen Schakelaar Mechanische Ventilatie Aansluiten

3 Standen Schakelaar Mechanische Ventilatie Aansluiten. 22+ Mechanische Ventilatie 4 Standen Schakelaar Uit de muur komt een zwarte draad, blauwe draad en een groen/gele draad Zet de installatieautomaat (groep) in de groepenkast uit, of schakel de hoofdschakelaar uit als je niet zeker weet welke groep je nodig hebt

Schakelaar 3 Standen 250V 3A bol
Schakelaar 3 Standen 250V 3A bol from www.bol.com

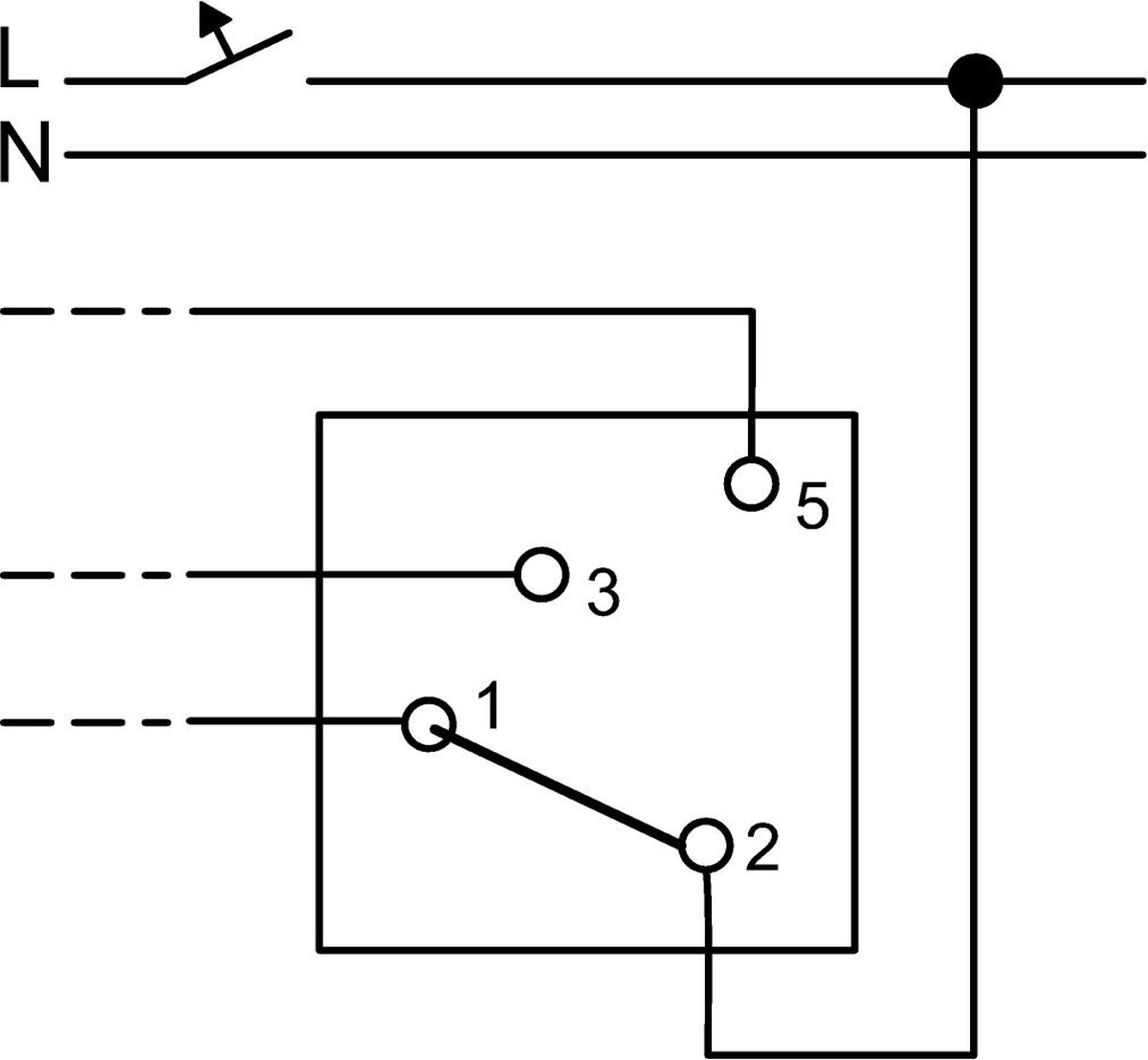
Wil jij zelf kunnen bepalen wanneer je je mechanische ventilatiesysteem harder of zachter zet? Dan is een schakelaar iets voor jou! Je kunt kiezen uit verschillende opties.Deze zullen we bespreken in dit artikel Deze aansluitingen zorgen ervoor dat u middels een vaste en bedrade drie-standen schakelaar de ventilator box op respectievelijk stand 1, 2 en 3 kunt zetten

Schakelaar 3 Standen 250V 3A bol

3 standen schakelaar aansluiten Kennisbank Elektramat 5 jan 2015 #1 Hallo allemaal, Ik hoop dat iemand mij kan helpen Uit de muur komt een zwarte draad, blauwe draad en een groen/gele draad

3 standen schakelaar zonder UITstand. geschikt voor mechanische ventilatie in de woningbouw1-poligDuroplast (zeer krasvast) glanzendDe nieuwe 3-stappen-schakelaars A 1504.10 N . Deze aansluitingen zorgen ervoor dat u middels een vaste en bedrade drie-standen schakelaar de ventilator box op respectievelijk stand 1, 2 en 3 kunt zetten

Livolo installatie instructie en aansluitschema Schakelaar en Wandcontactdoos Livolo. Wie kan mij helpen? Ik heb een nieuwe 3-standenschskelaar voor mijn mechanische ventilatie 3 standen schakelaar aansluiten mechanische ventilatie